有关YGD振动电机详情及产品图片
YGD系列振动电机产品介绍:
YGD振动电机是在转子轴两端各安装一组可调偏心块,利用轴及偏心块高速旋转产生的离心力得到激振力。振动电机的激振力高、能耗小、噪音低、寿命长。是直线振动筛、振动给料机、振动给料斗、振动输送机等各种振动机械 理想的激振源,也是冶金、矿山、煤炭、建材、磨料、陶瓷、化工、粮食等工业部门的理想设备,并可用于各种料仓、料斗、溜槽的仓壁振动,以防止物料滞留,促使物料快速运动。有着极其广泛的应用范围。

YGD振动电机主要特点:
1.使用寿命长,只需定期维护轴承。
2.因利用平稳的回转产生振动,噪声低。
3.激振力与出力配合适当,机体质量轻、体积小。
4.可多机组合成各种振动形式,以完成各种作业要求。
5.全封闭结构,可在任何无防爆要求的粉尘条件下工作。
6.只需调节两端外侧的偏心块,使之与内侧偏心块形成一定的夹角,就可无级调整激振力。
7.电机的设计可随需要做适当的调整,以适用于特殊的环境:660V或60HZ特殊电压及电源频率,气温极高或极低的工作场所、防尘防水要求较高的场所、地处海拔较高的场所等。
YGD振动电机是机座联体电机,密封性能高于普通振动电机

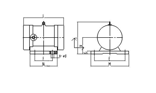
YGD振动电机安装图:

YZD振动电机技术参数 :
| 型号 | 激振力(KN) | 功率(kw) | 电流(A) | 振频(r/min) | 安装尺寸 | 重量 Kg | |||||||||
| E | F | G | H | I | L | M | N | n | φd | ||||||
| YGD-1.5-2 | 1.5 | 0.12 | 0.36 | 3000 | 130 | 80 | 19 | 80 | 200 | 240 | 164 | 118 | 4 | 12 | 13 |
| YGD-2.5-2 | 2.5 | 0.22 | 0.66 | 130 | 80 | 19 | 80 | 200 | 240 | 164 | 118 | 4 | 12 | 14 | |
| YGD-3-2 | 3 | 0.25 | 0.75 | 150 | 90 | 21 | 90 | 220 | 250 | 185 | 124 | 4 | 14 | 20 | |
| YGD-5-2 | 5 | 0.37 | 1.11 | 150 | 90 | 21 | 90 | 220 | 270 | 185 | 124 | 4 | 14 | 21 | |
| YGD-10-2 | 10 | 0.75 | 2.25 | 180 | 110 | 27 | 112 | 238 | 335 | 225 | 155 | 4 | 18 | 31 | |
| YGD-15-2 | 15 | 1.1 | 3.3 | 220 | 140 | 32 | 125 | 265 | 370 | 272 | 190 | 4 | 22 | 47 | |
| YGD-20-2 | 20 | 1.5 | 4.5 | 260 | 150 | 40 | 140 | 320 | 452 | 344 | 234 | 4 | 26 | 68 | |
| YGD-30-2 | 30 | 2.2 | 6.6 | 310 | 170 | 57 | 170 | 365 | 505 | 400 | 270 | 4 | 33 | 107 | |
| YGD-50-2 | 50 | 3.7 | 11.1 | 350 | 220 | 52 | 200 | 425 | 600 | 450 | 313 | 4 | 39 | 210 | |
| YGD-1.0-4 | 1 | 0.09 | 0.27 | 1500 | 130 | 80 | 19 | 80 | 200 | 245 | 164 | 118 | 4 | 12 | 13 |
| YGD-1.5-4 | 1.5 | 0.12 | 0.36 | 130 | 80 | 19 | 80 | 200 | 240 | 164 | 118 | 4 | 12 | 16 | |
| YGD-3-4 | 3 | 0.18 | 0.54 | 150 | 90 | 21 | 90 | 220 | 260 | 185 | 124 | 4 | 14 | 22 | |
| YGD-5-4 | 5 | 0.25 | 0.75 | 180 | 110 | 27 | 112 | 238 | 335 | 225 | 155 | 4 | 18 | 32 | |
| YGD-10-4 | 10 | 0.55 | 1.65 | 220 | 140 | 32 | 125 | 265 | 370 | 272 | 190 | 4 | 22 | 49 | |
| YGD-15-4 | 15 | 0.75 | 2.25 | 260 | 150 | 42 | 140 | 320 | 452 | 344 | 234 | 4 | 26 | 76 | |
| YGD-20-4 | 20 | 1.1 | 3.3 | 260 | 150 | 42 | 140 | 320 | 452 | 344 | 234 | 4 | 26 | 82 | |
| YGD-30-4 | 30 | 1.5 | 4.5 | 310 | 170 | 57 | 170 | 365 | 505 | 400 | 270 | 4 | 33 | 117 | |
| YGD-50-4 | 50 | 2.2 | 6.6 | 350 | 220 | 33 | 190 | 425 | 600 | 450 | 313 | 4 | 33 | 219 | |
| YGD-75-4 | 75 | 3.7 | 11.1 | 380 | 250 | 35 | 220 | 500 | 670 | 480 | 350 | 4 | 39 | 360 | |
| YGD-1.5-6 | 1.5 | 0.12 | 0.36 | 1000 | 150 | 90 | 21 | 90 | 220 | 270 | 185 | 124 | 4 | 14 | 22 |
| YGD-3-6 | 3 | 0.25 | 0.75 | 180 | 110 | 27 | 112 | 238 | 335 | 225 | 155 | 4 | 18 | 35 | |
| YGD-5-6 | 5 | 0.37 | 1.11 | 220 | 140 | 32 | 125 | 265 | 370 | 272 | 190 | 4 | 22 | 50 | |
| YGD-10-6 | 10 | 0.75 | 2.25 | 260 | 150 | 42 | 140 | 320 | 452 | 344 | 234 | 4 | 26 | 82 | |
| YGD-15-6 | 15 | 1.1 | 3.3 | 310 | 170 | 57 | 170 | 365 | 505 | 400 | 270 | 4 | 33 | 125 | |
| YGD-20-6 | 20 | 1.5 | 4.5 | 310 | 170 | 57 | 170 | 365 | 505 | 400 | 270 | 4 | 33 | 130 | |
| YGD-30-6 | 30 | 2.2 | 6.6 | 350 | 220 | 33 | 190 | 425 | 600 | 450 | 313 | 4 | 39 | 190 | |
| YGD-40-6 | 40 | 3 | 9 | 350 | 220 | 35 | 190 | 425 | 600 | 450 | 313 | 4 | 39 | 190 | |
| YGD-50-6 | 50 | 3.7 | 11.1 | 380 | 250 | 35 | 210 | 465 | 670 | 480 | 350 | 4 | 45 | 300 | |
| YGD-75-6 | 75 | 5.5 | 16.5 | 440 | 250 | 35 | 220 | 500 | 730 | 480 | 350 | 4 | 45 | 400 | |
| YGD-100-6 | 100 | 7.5 | 22.5 | 440 | 280 | 40 | 240 | 550 | 750 | 570 | 450 | 4 | 45 | 420 | |
| YGD-125-6 | 125 | 8.5 | 25.5 | 440 | 280 | 40 | 240 | 550 | 750 | 570 | 450 | 4 | 45 | 468 | |
YD振动电机的应用:
1. 广泛应用于矿山、冶金、煤炭、建材、耐火材料、粮食等行业领域。
2. 应用于旋振筛分机、振动混料机等等
3. 适用于颗粒状的干式筛分及料浆过滤。
4. 可广泛用陶瓷、石墨等行业制粉。
5. 可供磨料化工等行业中的干式粉状筛分。
本店所有产品已通过国家CCC认证,请放心使用,质量保证,凡本店产品签订正式合同,质保一年,一年内出现任何质量问题,保换新机